假设我们有两个二进制数字我们必须根据其幅度进行比较。这两个数字的一个数量可以更大,等于或小于另一个数字。调用在二进制数之间执行此比较任务的数字电路数字比较器。为了更好地了解,让我们考虑两个单位二进制数字A和B. a和b的值是0或1,没有其他。现在让我们逻辑地设计一个电路,该电路将具有两个用于B的两个输入,并且具有三个输出端子,一个用于A> B条件,一个用于A = B条件,一个用于
我们想要,
当A> B时,G = 1(逻辑上1)
B = 1(逻辑上1)当A = B.
和
l = 1(逻辑上1)当A
| 一种 | B. | G | E. | L. |
| 0. | 0. | 0. | 1 | 0. |
| 0. | 1 | 0. | 0. | 1 |
| 1 | 0. | 1 | 0. | 0. |
| 1 | 1 | 0. | 1 | 0. |
何时,a = 0和b = 0,然后a = b和e = 1
什么时候,a = 0和b = 1,然后a 什么时候,a = 1和b = 0,那么a> b和g = 1
何时,a = 1和b = 1,然后a = b和e = 1
现在从上表,我们得到,
该电路可以实现为,
如上所述只能比较两个单位二进制数,所谓的单位数字比较器。
这二进制数字系统通常不使用单个二进制数字,而是使用通常为4位及更高的多位二进制数字。所以,让我们设计4位数字比较器更明确的比较器的想法。
假设,有两个4位二进制数,
让我们比较这两个数字
条件(1),当a1> B.1即A.1= 1和b1= 0,⇒A> b或g = 1。
条件(2),什么时候1= B.1A.2> B.2即A.2= 1和b2= 0⇒A> b或g = 1。
条件(3),当一个1= B.1A.2= B.2A.3.> B.3.即A.3.= 1和b3.= 0⇒A> b或g = 1。
条件(4),何时1= B.1, 一种2= B.2, 一种3.= B.3.A.4.> B.4.即A.4.= 1和b4.= 0⇒A> b或g = 1。
因此,如果上述任一方程式是真的,则G = 1
相似地,
现在,
再次,
逻辑电路可以从上述等式(i),(ii)和(iii)中汲取。
这是4位数字比较器。
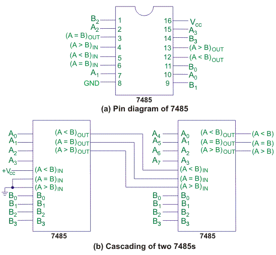
数码比较器的IC
这集成电路(IC)可用4位数字比较器是IC 7485.对于更多比特比较,可以级联多于一个这样的IC。该IC有三个终端,标有(A 在,(a = b)在(a> b)在和其他三个终端标记为(a 出去,(a = b)出去(a> b)出去。在两个7485 IC的级联期间(A 出去,(a = b)出去(a> b)出去下订单IC将连接到(A 在,(a = b)在(a> b)在高阶IC分别。







