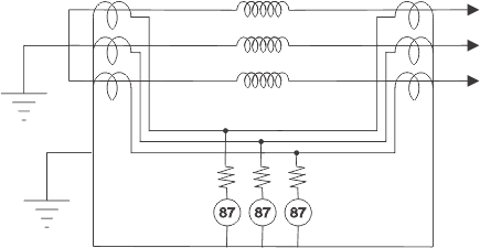
定子绕组内的任何内部故障都是通过主要的发电机的差分保护方案或交流发电机。
这差动保护通过使用纵向在发电机中提供差动继电器。
一般来说瞬时吸引衔铁继电器用于此目的,因为它们具有高速操作,并且它们也没有受电源电路的任何交流瞬态的影响。
有两套电流变压器, 一CT.连接到发电机的线侧,另一个相位连接到发电机的中性侧。不用说,必须匹配安装针对每个阶段的所有电流变压器的特性。如果在电流变压器的两侧的特征中存在任何重叠的发电机的特性,则在定子绕组外部的故障期间可能存在差分继电器的可能性很大,并且也可以在发电机的正常操作条件下。确保继电器无法为保护方案的操作区域外部的故障操作,稳定电阻器用继电器运行油系列配合。它还确保如果一组CT已经饱和,则差动继电器的可能出现故障。
对于差分保护目的,始终优选使用专用电流互感器,因为普通电流互感器可能导致对它们施加的其他功能造成不等的二次加载。它也总是优选使用所有电流变压器为了差动保护发电机或者交流发电机应该具有相同的特征。但实际上,在线侧安装的电流变压器的特性可能存在一些差异,而那些安装在发电机的中性侧的那些。
这些不匹配导致溢出电流流过继电器工作线圈。为避免溢出电流的影响,差异偏压在差动继电器中引入。
偏置差分继电器的百分比包括两个约束线圈和每相一个工作线圈。在继电器中,通过操作线圈产生的扭矩倾向于关闭用于瞬时跳闸的继电器触点断路器但是,同时,由约束线圈产生的扭矩防止继电器触点关闭,因为约束线圈扭矩与操作线圈扭矩相反。因此,在通过故障期间,由于通过约束线圈增加继电器的设置而不会操作差动继电器,并且它还防止由于溢出电流引起的继电器故障。但是在定子绕组的内部故障期间,限制线圈产生的扭矩是无效的,并且当设置电流流过工作线圈时,继电器闭合接触。
基于允许的不匹配的最大百分比增加了一些安全保证金,采用差分电流拾取设定/偏置设置。
继电器的溢出电流水平是刚刚操作它;经验丰富的通过导致它的故障电流的百分比。此百分比定义为继电器的偏置设置。





