几乎到处都可以找到七个段显示;这太常见了,所以我们经常不会注意到它。从口袋计算器,数字时钟和电子测试设备到汽油泵到处信息通过七个段显示提供。
单个七个段显示器或以有组织方式排列的这种显示器的组合总是满足我们的显示要求。通常使用两种类型的显示器,这些显示器发光二极管)和LCD(液晶显示器)类型。
七个段显示的历史
F. W. Wood发明了七个段显示的概念在专利中发现的1908年。
它实际上通过使用对角线显示了第四号。后来拍摄了这个想法,并且使用的显示系统白炽灯泡它用于发电厂锅炉房信号板1910年。最后从1970年开始,在七个段显示器中的使用变得在全球并且在开始制造时非常受欢迎LED。
现在出现的显而易见的问题是,这些东西如何工作,而且如何通过何种方式显示七个段显示。解释我们假设我们正在考虑由单独的LCD制成的显示系统。现在要显示我们必须使用8次LCD的数字,如图所示,并将它们完全如图所示。LCD的设计可以是不同的,但是该装置必须与图形完全相同。
要显示从0到9的数字,从A到G的LCD顺序依次亮起。因此,对于显示零的所有LCD,除了图中标明图形的G之外,我们可以看到显示零。
类似地显示一个只能打开f和e,它显示一个
并且以相同的方式可以通过各种LCD的顺序转动显示所有其他数字来显示所有数字。现在我们将看看代码显示背后的科学和方法。
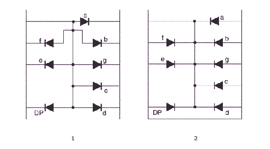
由于我们已经示出了A到G是LED或LCD显示器,并且它们被顺序地打开以显示所需的数量。现在,它们必须连接在可以根据所需输出的性质提供输入信号的电路中。第一电路图是普通阴极类型,这里的“1”表示,并且各个二极管如图所示连接,第二图是常见的阳极类型,并且这里是“0”。DP可以位于显示图的左侧或右侧。此外,该显示器不仅可以用于仅显示0到9的数字,而且它们也可以从A到F显示字母。下面给出的表给出了用于显示不同数字字符的二进制代码以及不同的字母字符常见的阴极和常见的阳极型显示器。
七个段显示代码
| 常见的Catdode类型'1'是指 | 常见的阳极类型'0'表示 | ||||||||||||||||
| 一种 | B. | C | D. | E. | F | G | DP. | 一种 | B. | C | D. | E. | F | G | DP. | ||
| 0. | 1 | 1 | 1 | 1 | 1 | 1 | 0. | 0. | 0. | 0. | 0. | 0. | 0. | 0. | 1 | ||
| 1 | 0. | 1 | 1 | 0. | 0. | 0. | 0. | 1 | 1 | 0. | 0. | 1 | 1 | 1 | 1 | ||
| 2 | 1 | 1 | 0. | 1 | 1 | 0. | 1 | 2 | 0. | 0. | 1 | 0. | 0. | 1 | 0. | ||
| 3. | 1 | 1 | 1 | 1 | 0. | 0. | 1 | 3. | 0. | 0. | 0. | 0. | 1 | 1 | 0. | ||
| 4. | 0. | 1 | 1 | 0. | 0. | 1 | 1 | 4. | 1 | 0. | 0. | 1 | 1 | 0. | 0. | ||
| 5. | 1 | 0. | 1 | 1 | 0. | 1 | 1 | 5. | 0. | 1 | 0. | 0. | 1 | 0. | 0. | ||
| 6. | 0. | 0. | 1 | 1 | 1 | 1 | 1 | 6. | 1 | 1 | 0. | 0. | 0. | 0. | 0. | ||
| 7. | 1 | 1 | 1 | 0. | 0. | 0. | 0. | 7. | 0. | 0. | 0. | 1 | 1 | 1 | 1 | ||
| 8. | 1 | 1 | 1 | 1 | 1 | 1 | 1 | 8. | 0. | 0. | 0. | 0. | 0. | 0. | 0. | ||
| 9. | 1 | 1 | 1 | 0. | 0. | 1 | 1 | 9. | 0. | 0. | 0. | 1 | 1 | 0. | 0. | ||
| 一种 | 1 | 1 | 1 | 1 | 1 | 0. | 1 | 一种 | 0. | 0. | 0. | 0. | 0. | 1 | 0. | ||
| B. | 0. | 0. | 1 | 1 | 1 | 1 | 1 | B. | 1 | 1 | 0. | 0. | 0. | 0. | 0. | ||
| C | 0. | 0. | 0. | 1 | 1 | 0. | 1 | C | 1 | 1 | 1 | 0. | 0. | 1 | 0. | ||
| D. | 0. | 1 | 1 | 1 | 1 | 0. | 1 | D. | 1 | 0. | 0. | 0. | 0. | 1 | 0. | ||
| E. | 1 | 1 | 0. | 1 | 1 | 1 | 1 | E. | 0. | 0. | 1 | 0. | 0. | 0. | 0. | ||
| F | 1 | 0. | 0. | 0. | 1 | 1 | 1 | F | 0. | 1 | 1 | 1 | 0. | 0. | 0. | ||








