BCD(二进制编码十进制)是一种编码方案,其表示其等效的4位二进制模式的每个十进制数。七个段显示包括由任何一种形成的七个单独的段发光二极管(LED)或液晶显示器(LCD)以明确的图案排列(图1)。
对于显示工作,这些段将由其输入处的某些逻辑电平驱动。根据此,发现七个段显示器是两种类型的viz。,常见的阴极类型和常见的阳极类型。
常见的阴极显示器(图2a)具有其所有阴极端子LED段捆绑在一起(绿线)。此外,这是接地的,因此被认为是逻辑0状态。这意味着为了点亮LED,需要推动它高。另一方面,图2B所示的公共阳极显示器具有连接在一起的所有阳极端子,通过将其连接到正电源,进一步驱动高电平电压(绿线)。因此,对于这种显示工作,必须在各个LED段的阴极端子上驱动低电平。
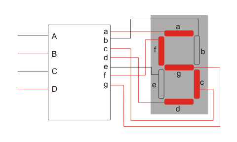
BCD到七个段解码器是用于将输入BCD转换为适合显示器的表单的电路。它具有四条输入线(A,B,C和D)和7个输出线(A,B,C,D,E,F和G),如图3所示。考虑常见的阴极类型的布置,真理表对于解码器,可以如表I所示。
表I常见阴极类型的真实表BCD到七个段解码器
此表表示要驱动高的段,以在输出端获得某些十进制数字七个段显示。但是,要注意的是,在常见的阳极类型的情况下,唯一的变化将是在表中交换零件和零。这意味着来自真理表所以获得的人可以知道低于何处,以便在输出处获得所需的数字。





