早期只传统当前的继电器被用于母线保护。但是希望任何馈线或任何馈线的故障变压器连接母线时不得干扰母线系统。鉴于此,母线保护继电器的整定时间很长。因此,当母线自身发生故障时,母线与电源之间的隔离时间较长,可能对母线造成较大的损坏公交系统。
最近几天,在进线馈线上申请了运行时间为0.3 ~ 0.5秒的第二区距保护继电器母线保护。
但是这种方案也有一个主要的缺点。这种保护方案不能区分母线的故障部分。
现在的日子,电力系统处理大量的电力。因此,整个总线系统的任何中断都会给公司造成很大的损失。因此,在母线发生故障时,只隔离母线的故障部分就显得尤为重要。
第二区域距离保护方案的另一个缺点是有时清理时间不够短,不能保证系统的稳定性。
为了克服上述困难,运行时间小于0.1秒的差分母线保护方案,通常适用于许多SHT总线系统。
差动母线保护
电流差动保护
的方案母线保护,涉及,基尔霍夫电流定律,即,进入节点的总电流等于离开节点的总电流。
因此,进入母线段的总电流等于离开母线段的总电流。
差动母线保护的原理非常简单。在这里,次要的CTs并联连接。这意味着,s1所有CT的端子连接在一起并形成总线电线。同样的是S.2所有CT的端子连接在一起形成另一个总线。
跳闸继电器连接在这两条母线上。
在上图中,我们假设在正常的馈电条件下,A, B, C, D, E和F携带电流I一个,我B,我C,我D,我E和我F。
现在,根据Kirchoff的当前法律,
基本上,用于差分母线保护的所有CTS都具有相同的电流比率。因此,所有二次电流的总和也必须等于零。
现在,设通过与所有二次CT并联的继电器的电流为iR,我一个, 一世B, 一世C, 一世D, 一世E和我F是二次电流。
现在,我们来应用一下KCL.在节点X,根据节点X的KCL,
所以,很明显,在正常情况下,没有电流流过母线保护跳闸继电器。这继电器通常称为继电器87.现在,在受保护区域外部的任何馈送器中发生故障。在这种情况下,故障电流将通过该馈线的CT的主要电流。此故障电流由连接到总线的所有其他馈线供稿。因此,贡献部分的故障电流流过相应的馈线的相应CT。因此,如果我们在节点K应用KCL,那么,我们仍然会得到,我R= 0。
这意味着,在外部故障情况下,没有电流流过87号继电器。现在考虑总线本身发生故障的情况。
在这种情况下,故障电流也由连接到总线的所有馈线贡献。因此,在这种情况下,所有贡献的故障电流之和等于总故障电流。
在错误的路径上没有CT。(在外部故障中,故障电流和不同馈线对故障的贡献电流都在各自的流动路径上得到CT)。
所有二次电流的总和不再为零。等于次级等效故障电流。
现在,如果我们在节点上应用KCL,我们会得到一个非零的i值R。
因此,在这种情况下,电流开始流过87继电器,它会绊倒断路器对应于连接到这一节母线的所有馈线。
当连接到总线这一段的所有输入和输出馈线跳闸时,总线就失效了。
这种差动母线保护方案也称为母线电流差动保护。
分段母线的差动保护
在解释母线电流差动保护的工作原理时,我们给出了一个简单的非分段母线。但在中等水平电压系统电气母线分段,以增加系统的稳定性。这样做的原因是,在母线的一个部分的故障不应干扰系统的其他部分。因此,在总线故障时,总总线将被中断。
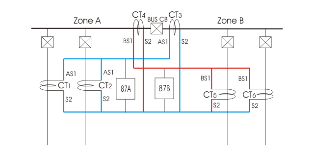
让我们绘制并讨论母线的保护与两个部分。
这里,总线部分A或区域A由CT界定1, CT2和CT3.CT在哪里1和CT2馈线CT和CT3.是巴士CT。
同样,母线B段或B区以CT为界4, CT5和CT6CT在哪里4公交车是CT, CT吗5和CT6是饲养者ct。
因此,区域A和B是重叠的,以确保没有区域留下母线保护方案。
CT ASI端子1, 2和3连接在一起形成次级总线ASI;
CT的BSI端子4, 5和6连接在一起形成次级母线BSI。
年代2所有CTs的端子连接在一起形成一个公共总线S2。
现在,A区母线保护继电器87A通过总线ASI和S连接2。
区域B的继电器87B通过总线BSI和S连接2。
本节母线差分保护方案以某种方式操作母线的简单电流差动保护。
即A区任何故障,仅限CB跳闸1, CB2和公共汽车C.B。
任何B区故障,只会使CB跳闸5, CB6和公交CB。
因此,总线任何部分的故障将只将该部分与带电系统隔离。
在母线的当前差分保护中,如果CT次级电路或母线打开,则可以操作继电器以将总线与实时系统隔离。但这是不可取的。
差动母线保护直流电路
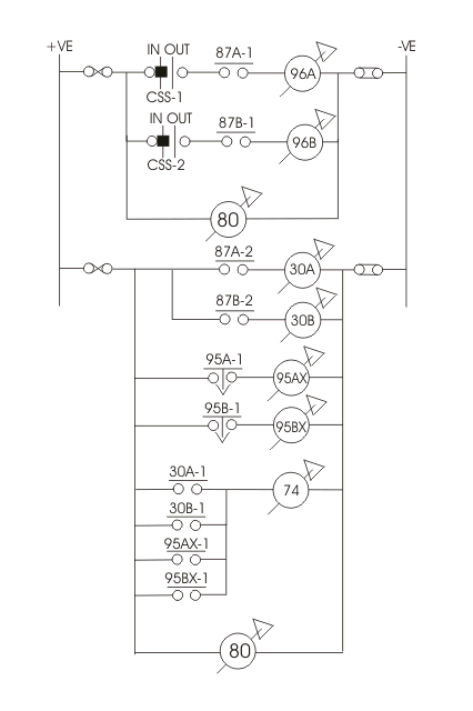
一个典型的直流电路为母线差分保护方案下面给出。
其中,CSSA和CSSB是两个用于投入使用的选择开关母线保护区域A和ZOOR B的系统。
如果CSSA处于“IN”位置,则A区的保护方案正在提供服务。
如果CSSB处于“in”位置,则B区保护处于使用状态。
通常,两个交换机都在正常操作条件下“IN”位置。这里,96a和96b的继电器线圈分别与差分汇流条保护继电器87a-1和87b-1串联。
96A继电器是多触点继电器。区域A中的每个断路器与96a的各个触点连接。
同样,96B是多触点继电器,b区每个断路器都与96B的单个触点相连。
虽然这里我们只使用每种受保护区域的一个跳闸继电器,但这更好地使用每个馈线的一个单独跳闸继电器。在这个方案中保护继电器提供每个馈线断路器,而区域A和另一个用于区域B的两个跳闸继电器被提供给总线部分或总线耦合器断路器。
在A区或A母线段发生间隔故障时,相应的母线保护继电器87A被通电;而在B区发生内部故障时,相应的继电器87B被通电。
一旦87A或87B的继电器线圈通电,相应的no。87A-1或87B-1触点关闭。因此,跳闸继电器96将跳闸连接到故障区域的断路器。为了指示A区母线保护还是B区母线保护操作,使用30号继电器。
例如,如果继电器87A被操作,相应的“无”触点87A-2被闭合,30A继电器通电。然后,继电器30A的无触点30A-1闭合到带电报警继电器74。内部故障时,各自区域的监控继电器95也被通电,但延时3秒。因此,一旦故障被清除,它就会复位,因此不会拾取区总线线短路继电器95x,而95x反过来使总线线短路。这个辅助95x继电器也有一个报警接点来指示哪个CT是开路的。在差动母线保护系统的直流电路的跳闸和非跳闸部分均提供无电压继电器80,以指示直流电源的任何间断。
母线电压差动保护
电流差分方案只有在不饱和且最大故障条件下保持相同的电流比、相角误差时才具有灵敏度。这通常不是80,特别是在一个馈线的外部故障的情况下。故障馈线上的电流互感器可能会被总电流饱和,因此会产生非常大的误差。由于这个较大的误差,一个特定区域内所有CTs的二次电流之和可能不为零。因此,即使在外部大故障的情况下,与该保护区相关的所有断路器跳闸的可能性也很高。防止这种误操作的电流差母线保护87继电器具有高的拾起电流和足够的延时。
最大的麻烦原因电流互感器饱和是短路电流的暂态直流分量。
通过使用空气核心CTS可以克服这种困难。该电流变压器也称为线性耦合器。由于CT的核心不使用熨斗的这些CT的二级特征,是直线。
在电压差示母线中,所有传入和输出馈线的CTS都是串联连接而不是并联连接。
所有CTS和icondaries和差动继电器形成一个闭环。如果所有CT的极性匹配正确,则所有CT的二次电压之和为零。因此,在差动继电器上不会出现合成电压。母线故障时,所有CT二次电压之和不再为零。因此,由于合成电压,在回路中会有电流循环。由于回路电流也流经差动继电器,差动继电器被操作来跳闸与保护母线区域相关的所有电路烧杯。除非接地故障电流被中性阻抗分别限制,否则通常不存在选择性问题。当这种问题存在时,可以通过使用附加的更灵敏的继电器设备来解决,包括监督保护继电器。





