为电力输电线通常足够长,它通过开放的大气运行,电力传输线中发生故障的可能性远高于电力变压器和交流发电机。这就是为什么输电线路需要更多的保护方案变压器和一个交流发电机。
保护线路应该有一些特殊功能,如 -
- 在错误期间,唯一的断路器离故障点最近的应跳闸。
- 如果离故障点最近的断路器不能跳闸,那么这个断路器旁边的断路器就会跳闸。
- 与线路保护相关联的继电器的操作时间应尽可能最小,以防止与电力系统的其他健康部分相关联的断路器的不必要的跳闸。
这些上述要求原因保护线路保护太多的不同变压器的保护电力系统的其他设备。主要有三种方法输电线路保护是 -
- 时间分级了当前的保护。
- 差动保护。
- 距离保护。
时间分级过电流保护
这也可简单地称为输电线路过流保护。讨论不同的时间分级电流保护方案。
径向给料机保护
在径向馈线中,电力仅在一个方向上流动,这是从源头加载的方向。通过使用明确的时间继电器或逆时间继电器,可以容易地保护这种类型的馈线。
线路保护采用定时继电器
这种保护方案非常简单。这里总线路分为不同的区段,每区段设有确定的时间继电器。最靠近线路末端的继电器的整定时间最小,而其他继电器的整定时间依次向源方向增加。
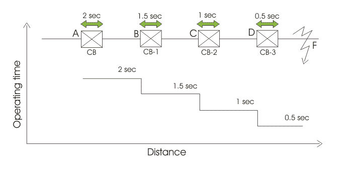
例如,假设在下图中有一个源头
在点d的时候断路器CB-3定时间继电器操作安装了0.5秒。先后,在C点另一个断路器安装CB-2定时间继电器操作1秒。下一个断路器CB-1是安装在B点最近的点的a点B,继电器设置操作时1.5秒。
现在,假设在点F处发生故障。由于此故障,故障电流流过所有电流变压器或CTS连接在线上。但由于在D点的继电器操作时间是最小的CB-3,因此与此继电器相关的继电器将首先跳闸,以将故障区域与线路的其余部分隔离。如果由于任何原因,CB-3不能跳闸,那么下一个高定时继电器将启动相关的CB跳闸。在这种情况下,CB-2会跳闸。如果CB-2也不能跳闸,那么下一个断路器也就是CB-1将跳闸以隔离线路的主要部分。
定时间线保护的优点
该方案的主要优点是简单性。第二个主要优点是在故障期间,只有最接近来自故障点的CB将运行以隔离线路的特定位置。
明确时间线保护的缺点
如果线路的区段数相当大,那么离源最近的继电器的整定时间就会很长。因此,在距离震源较近的故障期间,将需要很长时间才能隔离。这可能会对系统造成严重的破坏。
逆继电器过电流线路保护
本文所讨论的输电线路过电流保护仅适用于定时间保护,采用逆时间继电器可以很容易地克服这一缺点。在逆继电器中,运行时间与故障电流成反比。
在上图中,在点D处的继电器的总体时间设置最小,并且连续地增加该时间设置,对于与点A相关联的中继线,增加了该时间设置。
在点F处的任何故障的情况下,在点D处显然遵循CB-3。在开口CB-3的故障时,CB-2将在C点C的中继情况下更高。
虽然离源最近的继电器的整定时间最大,但当在源附近发生重大故障时,由于继电器的运行时间与故障电流成反比,所以继电器的跳闸周期也会更短。
并联馈线过流保护
为了维持系统的稳定性,需要并行地从源馈送两个或多个进料器。如果在任何馈线中发生故障,则仅从系统中隔离有故障馈线,以便从源到负载的供应连续性。这一要求使并行进纸器的保护比在径向进料器的情况下,在电流保护中的简单非方向上更复杂。防护进料器的保护需要使用方向继电器并级联中继的时间设置以进行选择性跳闸。
有两个进料器从源源并联连接到负载。两种馈线都有非定向的超过当前的继电器在源头。这些继电器应该是逆时间继电器。此外,两个馈线在其负载端都有方向继电器或反功率继电器。这里使用的逆功率继电器应该是瞬时型的。这意味着这些继电器应在馈线中的功率流被逆转时立即操作。功率的法线方向是从电源到负载。
现在,假设故障发生在F点,设故障电流为If。这个故障将获得来自源的两个并行路径,一致断路器A唯一的通过CB-B,馈线-2,CB-Q,负载总线和CB-P。这在下图中清楚地显示,其中我一个和我B馈线-1和馈线-2分别是共享故障的电流。
按基尔霍夫电流定律,我一个+ I.B=我f。
现在我一个正在流过CB-A,我B流经CB-P。当CB-P的流动方向逆转时,它将立即跳闸。但是CB-Q不会跳闸,因为这个断路器的电流(功率)没有反转。当CB-P触发时,故障电流IB停止流过馈线,因此毫无疑问,在电流继电器上进一步运行逆时间。一世一个仍然继续流动甚至CB-P正在绊倒。然后因为过时的我一个,CB-A将绊倒。以这种方式,故障馈线与系统隔离。
差动导频线保护
这只是一种应用于馈线的差分保护方案。采用几种差分方案来保护线路,但混乱价格电压平衡系统和翻译方案最受普遍地使用。
Merz价格余额系统
Merz价格余额系统的工作原理非常简单。在该线路保护方案中,相同的CT连接到线的两端中的每一个。CTS的极性相同。这些电流互感器的次级和两个瞬时继电器的操作线圈形成为闭环,如下图所示。在环路导频线中用于连接如图所示的CT次级和两个继电器线圈。
现在,从该图中很明显,当系统处于正常条件时,由于一个CT的二次电流将取消其他CT的二次电流,不会有流过循环的任何电流。
现在,如果在这两个CT之间的线路部分发生故障,一个CT的二次电流将不再等于和相反的另一个CT的二次电流。因此在回路中就会产生合成的循环电流。
由于这一循环电流,两个继电器的线圈将合闸的跳闸电路断路器。因此,故障线路将从两端隔离。





