在讨论各种主题期间数字电子产品我们已经了解了各种类型的逻辑门及其设计和操作方法。现在我们将讨论这个词扇出这与逻辑门有关扇出逻辑门。现在,当一个逻辑门的输出与其他逻辑门的各种输入连接时,它是一种非常常见的现象。
但是从单个逻辑门的输出馈送的最大输入数有限制,它不能是任何数字。这个数字取决于当前当输出高逻辑门时输出的采购能力,并且电流沉降能力由输出较低时由输出确定。它还取决于要与逻辑门的输出连接的输入的要求。
我们可以用上面的例子和图表进一步说明这一点。
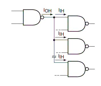
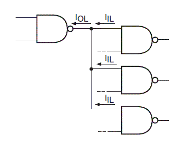
假设目前的采购能力NAND门是I.哦当它的输出处于逻辑高并且从该逻辑门的输出供给的逻辑门的输入是iIH.。我们在图表中也可以看到。现在逻辑门的输出能够驱动的最大输入数是I哦/ 一世IH.。当输出将处于高状态时,这将适用。现在考虑输出处于逻辑低电平的情况,然后让我们采取最大电流下沉能力ol.。然后再次就像前一个一样的下沉电流,它被馈送到各种逻辑门的所有连接输入是iIL.。我们将在下一个图表中展示这一点。
现在,在这种情况下,将由该逻辑门的输出驱动的最大输入驱动器数量将等于iol./ 一世IL.。因此,我们发现可以从单个逻辑门的输出馈送的最大逻辑门输入数将是i哦/ 一世IH.当逻辑很高时,它将是我ol./ 一世IL.当逻辑处于低状态时。
因此,可以从单个逻辑门的输出驱动的逻辑栅极输入的数量被称为扇出逻辑门,唯一的条件是不存在任何错误输出。它是逻辑盖茨的一个非常重要的特征数字电子产品由于它有助于设计各种电路门。
现在在许多情况下,IOH / IIHand I的值ol./ 一世IL.是不同的,在这种情况下,两者中较小的情况被用作逻辑门外的粉丝,并且基于该值完成所有计算。
上述两个图显示了单个输出的电路的实际电路图NAND门属于标准TTL(晶体管晶体管逻辑)逻辑系列为属于同一逻辑系列的各种NAND门的输入提供。
第一图是当逻辑高时的状态,第二个数字在逻辑低位期间。对于标准TTL.家庭设备最大高状态输出采购电流和最大高状态输入当前分别为400 mu a和40 mu a。低状态的相同值分别为16μA和1.6μA。我们已经讨论了其他文章中的TTL。




