该方法是测试DC机器的间接方法。它以詹姆斯·斯旺宾爵士队命名。Swinburne的测试是具有恒定通量的分流器和复合卷绕直流机的最常用和最简单的方法。万博实力品牌在该测试中,预先确定了任何负载的机器的效率。我们可以将机器作为电机或发电机运行。在这种测试方法中,没有单独测量负载损耗,最终我们可以确定效率。
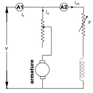
电路连接Swinburne的测试如下图所示。借助于分流调节器R,将机器的速度调节到额定速度,如图所示。
计算效率
让我0.是没有负载电流(它可以通过电表一种1)
一世SH.是分流场当前(它可以通过电流表A测量2)
然后,没有负载电枢电流=
也让,V是电源电压。因此,没有负载功率输入= VI0.瓦特。
在Swinburne的测试只需提供负载电源输入即可提供损耗。该损失主要是:
- 铁芯中的铁损失
- 摩擦和绕组损失
- 电枢铜损。
由于Swinburne的测试中没有机器的负载机械输出为零,因此不使用负载输入功率来提供损耗。
电枢铜损失的值=
在这里,R.一种是电枢电阻。
现在,否禁止持续损失,我们必须从无加负荷电源输入中减去电枢铜损失。
然后,
在计算无负载恒定损耗时,我们可以确定任何负载的效率。
让,我是我们必须计算机器效率的负载电流。
然后,电枢电流(i一种)将是(我 - 我SH.),当机器是电动机时。
和
,当机器产生时。
当机器驾驶负载时的效率计算
电源输入= VI
电枢铜损,
不断损失,
∴电机效率:
机器在负载产生时的效率计算
电源输入= VI
电枢铜损,
不断损失,
∴发电机的效率:
Swinburne测试的优势
该测试的主要优点是:
-
- 该测试非常方便且经济,因为它是供应量的低功耗来执行测试。
- 由于不断损失是已知的,效率Swinburne的测试可以在任何负载中预先确定。
Swinburne测试的弊端
该测试的主要缺点是:
-
- 虽然由于电枢反应导致的铁损,但由于电枢反应导致的载荷损失变化,铁损失是忽略的。
- 我们无法确定对加载条件的满意换向,因为测试是在空载时完成的。
- 我们无法测量机器装载时的温度上升。功率损耗可以随温度而变化。
- 在DC系列电机,Swinburne的测试无法完成,以找到其效率,因为它是没有负载测试。





