测量电路无功功率的仪器叫做无功功率表。什么是无功功率?电路中的无功功率由VIsinA。
这里没有必要对无功的物理意义进行解释,因为只有数学关系就足够了。无功功率的测量是必不可少的,因为如果在电路中无功功率较多,那么电机功率因数将会贫穷,因此损失将会更多。在电源供应的基础上无功功率表可以分为
- 单相无功计
- 多相无功计。
我们将逐一讨论两种类型的Varmeters。
单相无功计
在这种类型的变压计中,压力是高度感应的,以致于电压通过压力线圈引压电流为90度角o。线圈当前的为负载电流与电源电压相位差为A角。电度表的读数是由
这是数学上等于电路的无功功率。
下面给出的是电路图单相无功计。
我们以参考轴为电压轴,作上述电路的相量图。
压力线圈的电流滞后于电压90度角o在相量图中可以清楚地看到。
现在使用这款Varmeter有一些缺点,因为它不会正确地测量无功功率谐波是礼物。
多相无功计
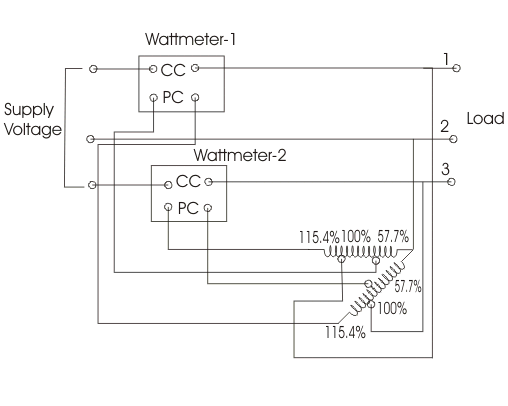
这两个自耦变压器当连接在开放三角洲配置时,用于创建相移(这是测量无功功率所必需的)。电流线圈的两个瓦特计与供应线1和3串联连接。
而压力线圈是并联的,如下图所示-
这俩自耦变压器能产生图中所示线路电压的115.4%的最大值。点击两者变形金刚分别为57.7%、100%和115.4%。瓦特计压力线圈一端(标记为1)连接自耦变压器2的115.4%分接头,另一端连接自耦变压器1的57.7%分接头。由于这个连接电压产生的压力线圈的瓦特计,一个等于线电压,但移动了一个角度90o。因此瓦特表显示的功率等于无功功率。同样地,连接瓦特表2的压力线圈,显示相同的电压等于线电压,但相位不同,这个相位差又等于90o。现在两个瓦特表读数的算术和等于电路的总无功功率。
注意三相平衡电路的无功功率可以用单瓦特计法测量。电路图如下图所示
如图所示,电流线圈与线路2串联连接。压力线圈连接在线路1和线路2之间。瓦特表的读数将测量无功功率。





