双极结型晶体管的历史
的晶体管(BJT)不是前三款终端设备。晶体管出现之前,人们使用真空管。在电子学中,真空管三极管在世界上使用了近半个世纪是机器的。19世纪80年代早期由托马斯·爱迪生发明的电灯泡是真空管在电气应用中的第一批应用之一。直到1950年代早期,真空管三极管被用于各种计算机设计中。但主要的问题是,随着电路的复杂化,越来越多的三极管需要集成。在那些日子里,一台大型计算机会有许多装满管子的架子,这些管子几乎占据了一个很大的房间。尺寸不是唯一的问题,这些管子消耗很大的功率,有时会泄漏,因此可靠性较低。
因此,科学家和工程师开始思考如何制造其他类型的三终端设备。所以他们不再在真空中控制电子,而是开始想办法在固体物质中控制电子。1947年,在贝尔实验室工作的两位物理学家约翰·巴丁和沃尔特·布拉顿发现,通过使两点接触非常接近,他们实际上可以制造出一个三终端设备。因此,第一个点式接触晶体管是由锗、回形针和剃须刀片制成的。
下图显示了一个相同的副本。肖克利通过将不同的薄片压在一起而开发了结型晶体管(BJT)半导体材料。晶体管取代了真空管,给电子学世界带来了巨大的变化。巴丁、布拉顿和威廉·肖克利因发明晶体管效应而在1956年获得诺贝尔物理学奖。多年来晶体管直到20世纪50年代后期才作为单独的部件制造出来,之后呢集成电路集成电路(IC)出现了,它将所有组件放在一个芯片上。这只是无穷无尽的一部分以下是历史。
双极结型晶体管的应用
有两种类型双极结型晶体管的应用,开关和放大。
晶体管开关
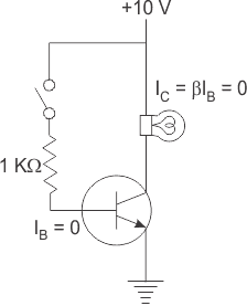
对于开关应用,晶体管偏压工作在饱和或截止区域。晶体管在截止区起着开路开关的作用,而在饱和区起着闭合开关的作用。
打开开关
在截止区域(两个结是反向偏置的)电压穿过CE结非常高。输入电压为零,因此基极和集电极电流都为零,因此电阻BJT us提供的价格非常高(理想情况下是无限的)。
关闭开关
在饱和时(两个结都是正向偏置的)一个高的输入电压被施加到基极上。调整基极电阻的值,使基极电流流动。有一个小的电压降跨越集电极发射极结0.05 ~ 0.2 V的电流和集电极电流都很大。一个非常小的电压降会穿过以下是可以说它相当于一个闭合的开关。
以下是作为放大器
单级RC耦合CE放大器
图中显示的是一个单级CE放大器。C1和C3.是耦合电容,它们被用来阻挡直流分量,只通过交流部分,它们也保证了BJT的直流基础条件即使在输入后仍然保持不变。C2旁路电容是增加电压增益和绕过R4电阻器对交流信号。
的以下是在有源区域使用必要的偏置分量是偏置的。使Q点稳定在有源区域晶体管。当输入被应用时,如下所示当前的开始上下变化,因此集电极电流也随I变化C=β×IB。因此电压在R3.随着集电极电流的通过而变化。电压R3.放大后是180度吗o除了输入信号。因此R上的电压3.是耦合到负载和放大发生。如果Q点保持在负载的中心很少或没有波形失真将发生。CE放大器的电压和电流增益都很高(增益是电流电压从输入到输出增加的倍数)。它常用于收音机和低频电压放大器。
为了进一步提高增益,使用了多级放大器。它们通过电容器,电力变压器R-L或直接耦合取决于应用程序。总收益是各个阶段收益的产物。下图显示了一个两级CE放大器。





