各种方法用于测量三相电力在三相电路基于人数瓦特比特用过的。我们有三种方法讨论:
让我们详细讨论每个方法。
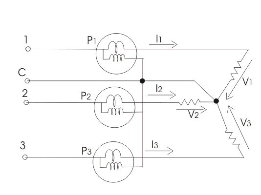
三个瓦特表法测量三相功率
电路图如下所示 -
在这里,它适用于三个第四阶段线系,当前标记为1,2和3的所有三个瓦特计的线圈连接到标记为1,2和3的相应相位,所有三个瓦特计的压力线圈连接到中性线的共同点。显然是瓦特比特将读为相电流和线的产品电压哪个是电力。瓦特计的所有读数的所得到的总和将提供电路的总功率。在数学上,我们可以写
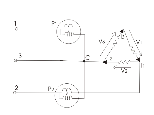
用两种瓦特计方法测量三相功率
在这种方法中,我们有两种类型的连接
- 载荷的星形连接
- Delta连接的加载。
当负载是恒星连接的负载时,该图如下所示 -
对于星形连接的负载,清楚地读取瓦特比特的读数是相电流的乘积和电压差异(V.2-v.3.)。类似地,瓦特计2的读数是相电流和电压差的乘积(V2-v.3.)。因此,电路的总功率是瓦特计的读数的总和。在数学上,我们可以写
但我们有
,因此放置了价值
。
我们获得总权力
。
当Delta连接的负载时,图表如下所示
可以写入瓦特比特的读数
和瓦特比特的读数是
但
因此,对总权力的表达将减少到
。
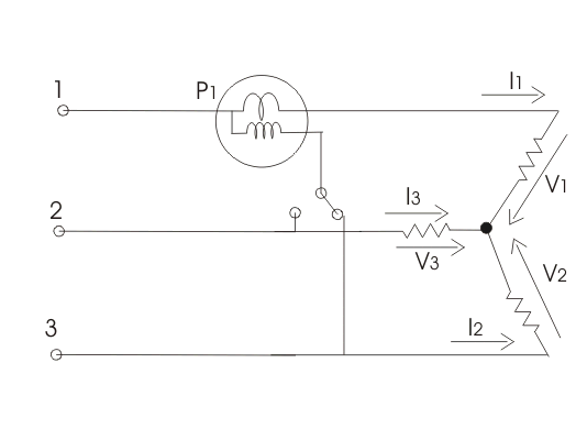
用一个瓦特计方法测量三相功率
这种方法的限制是它不能应用于不平衡的负载。所以在这种情况下我们有
。
图如下所示:
给出了两个开关,其标有1-3和1-2,通过关闭开关1-3,我们得到瓦特比特的读数
同样,当开关1-2关闭时,瓦特计的读数是





