什么是多路复用器?
一种多路复用器(有时拼写多路复用器也被称为aMUX)被定义为组合电路,该电路选择几个数据输入之一并将其转发到输出。多路复用器的输入可以是模拟的或数字的。多路复用器也称为数据选择器。
多路复用器对于在一定的时间和带宽内通过网络传输大量数据是有用的。
从中构建的多路复用器晶体管和中继被称为用于模拟应用的模拟多路复用器和由逻辑门构建的多路复用器被称为用于数字应用的数字多路复用器。多路复用器的逆称为a多路分解器.
多路复用器做什么?
在数字系统中,很多时候需要从几条数据输入线中选择一条数据,而所选数据输入线中的数据应该在输出线上可用。完成这项任务的数字电路是一个多路复用器。
多路复用器是一种数字电路,它选择n个数据输入中的一个并将其转发到输出。n个输入中的一个的选择是由选择输入完成的。为了从几个输入中选择一个,我们需要m个选择行,这样2个m= n。
根据所选输入处应用的数字代码,n个数据输入中的一个将被选择并传输到单个输出。因此,一个多路复用器有最大2N数据输入行,' m '选择行,和一个输出行。
n到1多路复用器及其等效电路的框图如下图所示。
-
框图 -
等效电路
多路复用器如何工作?
多路复用器的工作原理类似于多输入单输出开关。在给定时刻,输出只连接到n个数据输入中的一个。因此,多路复用器是“多入一”,它作为一个模拟选择开关的数字等效。
多路复用器电路
有许多类型的多路复用器-如2对1、4对1和8对1多路复用器。每一个都有不同的电路、真值表、布尔表达式和工作原理。让我们逐一讨论每种类型的多路复用器。
2到1多路复用器
2到1多路复用电路
2对1多路复用器是有两个数据输入D的数字多路复用电路0.和D1为了实现一个2对1的多路复用电路,我们需要2和盖茨,一个或门和一个非门.
2-1多路复用器的框图,逻辑符号和开关电路如下图所示。
-
一个2比1 Mux
-
逻辑符号 -
切换类比
如图所示,维0.是一个和门之一的应用输入1是另一个与门的应用输入。选择输入S作为第二输入应用于第二与门,而一个反向输入S作为第二输入应用于第一与门。“与”门的输出都作为“或”门的输入。2到1多路复用电路
2 ~ 1多路复用器工作原理
当S = 0时,将其直接应用为第二和栅极的输入,并且作为第一的反相S作为第二输入施加到第一和门。现在,我们知道,如果任何一个输入为零,则输出为零。因此,第二和门的输出为零。由于第一和门的第二输入是1,因此其输出等于其第一输入,这是y = d0..
当s = 1时,完全相反地发生。在这种情况下,第二和栅极输出等于其第一输入,即是y = d1第一个与门输出为0。
因此,通过在选择输入S处应用逻辑'0'或逻辑'1',我们可以选择适当的输入D0.或维1电路就像单刀双掷(SPDT)开关。
2到1个多路复用器真值表
下表显示了2到1个多路复用器的真相表。
| 选择输入年代 | 数据输入 |
数据输入 |
输出Y |
| 0. | 0. | 0. | 0. |
| 0. | 0. | 1 | 0. |
| 0. | 1 | 0. | 1 |
| 0. | 1 | 1 | 1 |
| 1 | 0. | 0. | 0. |
| 1 | 0. | 1 | 1 |
| 1 | 1 | 0. | 0. |
| 1 | 1 | 1 | 1 |
在这里,2输入多路复用器将两个1位源中的一个连接到一个公共输出,因此它产生一个2对1多路复用器。
2到1多路复用器布尔表达式
从真值表中,我们可以写出布尔表达式用于2对1多路复用器的输出。
在简单的符号中
| S. | y |
| 0. | D.0. |
| 1 | D.1 |
如上表所示,当选择输入S=0时,输出Y=D0.当s = 1然后y = d时1.我们可以进一步增加要选择的数据输入的数量,更大的多路复用电路可以实现使用较小的2对1多路复用器。
我们还可以通过使用来实现所有多路复用器与非门.注意NAND和盖茨也不区域通用门我们可以通过使用NAND和NOR门来实现任何数字电路。
4到1多路复用器
4到1多路复用电路图
一个4对1多路复用器是一个数字多路复用器,有四个数据输入,两个选择线,和一个输出。为了实现一个4对1的多路复用电路,我们需要4个与门,一个或门和一个2个非门。
在4比1多路复用器中,四个输入D.0.D1D2和D3.,两个数据选择线,分别为S0.和S1因为4-inputs代表
=
=
数据控制线。这四个输入中的一个将基于选择线路的输入的组合连接到输出。
4-1多路复用器的框图,逻辑符号和开关电路如下图所示。
-
逻辑符号 -
切换类比
4 ~ 1多路复用器工作原理
如果两个选择输入
那
那么最上面的AND门是启用的,所有其他的AND门是禁用的。数据输入
被选中并作为输出传输。因此,我们得到了输出
.
如果两个选择输入
那
那么最底部的AND门是启用的,所有其他的AND门是禁用的。数据输入
被选中并作为输出传输。因此,我们得到了输出
.
4到1个多路复用器真值表
下表显示了4比1多路复用器的真值表。
| S.0. | S.1 | y |
| 0. | 0. | D.0. |
| 0. | 1 | D.1 |
| 1 | 0. | D.2 |
| 1 | 1 | D.3. |
这里,4输入多路复用器将4个1位源中的一个连接到一个公共输出,因此它产生一个4对1多路复用器。
4到1多路复用器布尔表达式
从真相表中,我们可以为输出编写布尔表达式。
8到1多路复用器
8至1多路复用器电路图
8比1多路复用器是数字多路复用器,具有8个数据输入,3个选择线和一个输出。实现8到1个多路复用器电路,我们需要8和门,A或Gate,以及3个不是门。
在8对1多路复用器中,8路输入D0.D1D2,D.3.D4.D5.D6.和D7.,三个数据选择线0.,年代1,年代28输入表示2m= 23.数据选择行。在8比1多路复用器中,特定输入线的选择由三条选择线控制。
8对1多路复用器的框图如下所示。
-
一个8比1的笨蛋
8到1多路复用器工作原理
如果所有三个选择输入
那
那
那么最上面的AND门是启用的,所有其他的AND门是禁用的。因此,数据输入D0.被选中并作为输出传输。因此,我们得到了输出
.
如果所有三个选择输入
那
那
那么最底部的AND门是启用的,所有其他的AND门是禁用的。因此,数据输入D7.被选中并作为输出传输。因此,我们得到了输出
.
8到1多路复用器真值表
下表显示了8对1多路复用器的真值表。
| S.0. | S.1 | S.2 | y |
| 0. | 0. | 0. | D.0. |
| 0. | 0. | 1 | D.1 |
| 0. | 1 | 0. | D.2 |
| 0. | 1 | 1 | D.3. |
| 1 | 0. | 0. | D.4. |
| 1 | 0. | 1 | D.5. |
| 1 | 1 | 0. | D.6. |
| 1 | 1 | 1 | D.7. |
8到1多路复用器布尔表达式
从真值表中,我们可以为输出编写布尔表达式。
Arduino多路复用器
多路复用是一种非常有效的技术,可以控制以阵列或矩阵的形式连接在一起的许多组件——这对于Arduino来说也是正确的。这样的组件发光二极管那传感器控件中包含的其他组件最好的Arduino初学者工具包.
Arduino多路复用IC的配置如下图所示。这里,我们使用了8通道74HC4051多路复用IC。
多路复用器IC 74HC4051配置Arduino:
- + VCC.连接Arduino的5V电源引脚。
是启用销,-VEE为负电源电压引脚,GND引脚接Arduino的GND引脚。(注意
通常是有效的低端端子,这意味着它将在连接到GND时使芯片能够实现。如果我们将其连接到5V电源,它将禁用多路复用器芯片并提供输出Y = 0,而不管任何输入条件如何。)
- 控制引脚S0.,年代1,年代3.控制输出,它连接到Arduino的2,3和4个引脚。
- 如果芯片的输入是数字的,则输出Y连接到Arduino的任何数字输入引脚6到12。但是如果芯片的输入是模拟的,那么输出引脚就连接到A的模拟输入引脚0.到A.5.Arduino。
在这里,多路复用器的输入可以是传感器、按钮或电位计.请注意,对多路复用器的输入可以是模拟的或数字的。有些人喜欢使用覆盆子PI而不是Arduinos。如果你不确定,你可能想要了解Arduino vs Raspberry Pi.
多路集成电路(ic)
可用的多路复用器集成电路(IC),其功能和输出状态列于下表中。
| 集成电路数字 | 函数 | 输出状态 |
| 74150 | 16:1多路复用器 | 反向输出 |
| 74151 | 8:1多路复用器 | 反向输出 |
| 74153 | 双4至1多路复用器 | 输出等于输入 |
| 74352 | 双4至1多路复用器 | 反向输出 |
| 74157 | 四2比1多路复用器 | 输出等于输入 |
| 74158 | 四2比1多路复用器 | 反向输出 |
什么是多路复用器树或链式多路复用器?
可以通过级联具有较少数量的输入的两个或更多个多路复用器来获得具有更多更多输入的多路复用器。
换句话说,可以通过将较小的多路复用器链接在一起来构造较大的多路复用器。这被称为多路复用器树或链接多路复用器。
例如,一个8对1多路复用器可以通过级联两个4对1和一个2对1多路复用器来构建。两个4对1多路复用器的输出给2对1多路复用器,并将4对1多路复用器上的选择线并行放置,使选择输入的总数为3,这相当于一个8对1多路复用器。让我们来看一个例子。
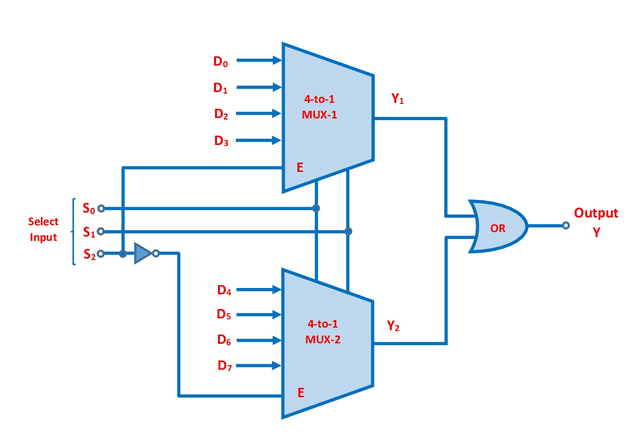
示例:使用两个4至1多路复用器获得8比1的多路复用器
解决方案:
- 两个4对1多路复用器的级联结果为8对1多路复用器,如下图所示。
- 有8个数据输入是D0.到D.7.
- 选择输入S0.和S1两者的4对1多路复用器是并联连接,而第三选择输入S2用于一次启用一个多路复用器。
- 选择输入年代2直接连接到MUX-1的使能(e)终端,而s2-连接MUX-2的使能终端。
- 两个多路复用器的输出连接到或门以获得最终输出Y.
真相表如下表所示。我们得到了输出
那
那
,
当MUX-1启用和
那
那
,
当MUX-2启用。
| S.0. | S.1 | S.2 | y |
| 0. | 0. | 0. | D.0. |
| 0. | 0. | 1 | D.1 |
| 0. | 1 | 0. | D.2 |
| 0. | 1 | 1 | D.3. |
| 1 | 0. | 0. | D.4. |
| 1 | 0. | 1 | D.5. |
| 1 | 1 | 0. | D.6. |
| 1 | 1 | 1 | D.7. |
多路复用器的优点
多路复用器的一些优点包括:
- 多路复用器减少了所用的电线数。因此,它降低了电路复杂性和总体成本。
- 多路复用器提高了数字系统的可靠性,因为它减少了外部有线连接的数量。
- 我们可以使用MUX实现许多组合电路。
- 多路复用器简化了逻辑设计。
- 多路复用器不需要k-maps(卡诺图)和简化。
多路复用器的应用
多路复用器的一些应用包括:
通信系统
- 多路复用器被用作数据选择器,在通信系统中从许多数据输入中选择一个,以在同一时刻传输各种类型的数据(音频、视频等)。因此,它通过允许多种类型的数据进入单一,从而提高了通信系统的效率输电线路.
电话网络
- 在电话网络中,多路复用器可用于将多个音频信号传输到单个信道。
电脑内存
- 在计算机存储器中,使用多路复用器来实现大量数据,同时在同一时刻减少将存储器连接到计算机中的其他部件所需的铜线数量。
由计算机系统向卫星传送的信息
- 多路复用器还用于通过利用“GPS”(全球定位系统)和“GSM”(全球移动通信系统)来将数据从航天器或卫星的计算机系统发送到地球的数据。
其他一些应用包括:





