运算放大器的负面反馈
我们获得运算放大器中的负面反馈通过连接输出端子op amp.通过合适的输入端子反相输入端子抵抗性如下所示。
调用具有负反馈的运算放大器的增益闭环收益。
OP放大器的闭环增益
当我们连接反馈电阻和一个抗性系列使用OP-AMP的反相输入端子如上图所示,系统的增益刚刚成为对输入电阻的反馈电阻的负比。运算放大器有自己的增益。增益实际上非常大,理想情况下,它是无限的。无论运算放大器自身的增益(开环增益)都可以对系统强加预定增益。我们通过选择串联输入电阻的适当值来执行此操作(R一世)和反馈电阻(RF)。OP-AMP系统的增益应该是
理解这一点闭环收益an741 op amp.,让我们通过一个例子。741运算放大器在占地面积之后。
| 范围 | 价值 |
| 开环增益 | 2×105. |
| 输入电阻 | 2mΩ. |
| 输出电阻 | 5Ω. |
让我们找到闭环收益的op amp.当我们与反相端子串联连接10kΩ电阻和20kΩ电阻作为反馈路径。
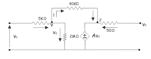
使用输入源的运算放大器的等效电路将如下所示,
让我们假设,节点1处的电压为v。现在申请Kirchhoff当前法律在此节点。我们得到,
现在通过在节点2获取的Kirchhoff现行法律上,
现在,从图中发现,
从等式(i)和(ii)我们得到,
因此,运算放大器的开环增益是2×105.。
然而闭环收益只有2。
让我们拿另一个例子运算放大器的闭环增益。
741运算放大器电路的等效电路可以重新绘制,
现在,考虑节点1的电压为V申请Kirchhoffs现行法律在节点1.我们得到,
现在,在等效电路的节点上应用Kirchhoffs当前定律,我们得到了,
现在,
从等式(III)和(IV),我们得到,
所以闭环收益上述的op amp.电路为8。
所以,通过选择合适的方式清除了电阻器对于运算放大器电路的反馈,我们可以强加所需的增益。





