西林电桥理论
这座桥是用来测量电容对电容、损耗因子和相对介电常数的测量。让我们考虑一下西林电桥如下所示:
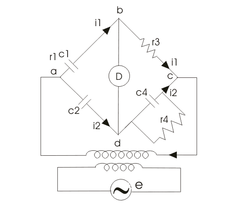
在这里,c1未知的电容值是用串联电阻r来确定的吗1。
c2是一个标准的电容器。
c4是可变电容器。
r3.是一个纯电阻器(即非归纳性)。
和r4可变无感电阻是否与可变电阻并联电容器c4。现在给a点和c点之间的电桥供电,检测器在b点和d点之间连接。根据交流电桥的理论,我们在平衡状态下,
代入z的值1, z2, z3.和z4由上式可知
将实部和虚部等价,
让我们考虑上述谢林桥电路的相量图,并标出电压降ab bc cd AD等于e1e3.e4和e2分别。从上面的先灵桥相量图,我们可以计算tanδ的值,也称为耗散因子。
我们上面推导的方程很简单,耗散因子很容易计算。现在我们将详细讨论高压先灵电桥。如前所述,简单先灵桥(使用低电压)用于测量绝缘材料的损耗因子、电容及绝缘油等其他性能。高电压先灵桥的需求是什么?这个问题的答案很简单,对于小电容的测量,我们需要施加高电压和高频率,而低电压有很多缺点。让我们讨论一下这个高电压先灵桥的更多特性:
- 电桥臂ab和ad仅由如下图所示的电容组成,这两个臂的阻抗与bc和cd的阻抗相比相当大,bc和cd臂包含电阻r3.与电容c并联组合4和电阻r4分别。由于bc和cd的阻抗相当小,因此bc和cd的下降也很小。c点接地,因此bc和dc之间的电压比c点高几伏。
- 高电压供应从变压器50hz和检测器在这个桥是一个振动电流计。
- 臂ab和ad的阻抗非常大,因此该电路的电流很小,因此功率损耗很低,但正因为如此低当前的我们需要一个非常灵敏的探测器来检测这种小电流。
- 固定标准电容器c2由于有压缩气体作为介质,因此压缩空气的耗散系数可以为零。接地屏蔽被放置在桥的高臂和低臂之间,以防止由于间电容引起的错误。
研究先灵桥是如何测量相对介电常数的:为了测量相对介电常数,首先需要测量一个以试样为介质的小电容器的电容。从这个电容相对介电常数的测量值可以很容易地用非常简单的关系计算:
式中r为相对磁导率。
C为试样作为电介质时的电容。
D是电极之间的间距。
A是电极的净面积。
ε是自由空间的介电常数。
另一种计算样品相对介电常数的方法是改变电极间距。让我们考虑下图
这里A是电极的面积。
D为试件的厚度。
T是电极和试样之间的空隙(这里这个空隙被压缩气体或空气填充)。
c年代为试样的电容。
co是由电极和试样之间的间距引起的电容。
C是C的有效组合年代和co。
如图所示,当两个电容串联时,
εo自由空间的介电常数是ε吗r相对介电常数,当我们移除样品和调整间距使电容值相同时,电容的表达式是否减小到
在等式(1)(2)上,我们将得到ε的最终表达式r为:





