让我们来理解一下这句话。
这里,电路中存在的两个1.5伏电池。在这种情况下,当前通过1欧姆的电阻是1.2安培。
该电表表示此值在上图中。
现在,我们更换左侧电池通过显示的短路。在这种情况下,流过1欧姆电阻的电流为0.6安培。电流表表示此值如上图所示。
现在,我们通过显示的短路更换右侧电池。在这种情况下,流过1欧姆电阻的电流也是0.6安培。该电表如上图所示,表示此值。
1.2 = 0.6 + 0.6
所以,我们可以说,如果我们连接一个分支电路对数字的电压电流源总计当前流过该分支是所有单独电流的总和,由每个单独的电压或电流源供贡献。这种简单的概念在数学上表示为叠加定理。
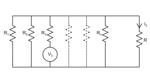
与上面所示的两个电源不同,一个电路中有n个电源,I电流通过该电路的一个特定支路。
如果有人通过内部从电路取代所有来源抵抗性除了现在在电路中行动并提供电流的第一源1通过所述分支,然后他重新连接第二个源并通过其内阻替换第一源。
现在,目前通过该目前的第二个源代表该第二源的分支可以假设我2。
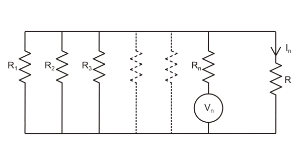
同样,如果他通过其内阻重新连接第三个源并取代第二个来源。现在目前通过该三个来源的分支,单独假设我3.。
同样,当nTH.源单独在电路中行动,所有其他来源都被其内部所取代电阻然后说我N电流流过电路的上述分支。
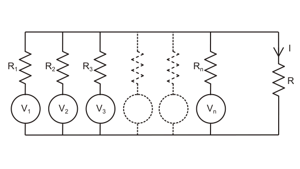
现在根据叠加定理,通过分支的电流当所有来源同时在电路上作用时,只不过是由单独在电路上单独作用的各个源引起的这些单独电流的总和。
电源主要有两种,一种是电压源和其他是电流源。当从电路中移去电压源时,输入电路的电压变为零。为了得到0电势差在被移除的电压源连接的点之间,这两个点必须通过零电阻短路。为了提高精度,可以用内阻来代替电压源。现在如果我们从电路中移去一个电流源,由这个电流源贡献的电流将变为零。零电流意味着开路。所以当我们从电路中移除电流源时,我们只需要断开电流源和电路端子的连接,并保持两个端子处于开路状态。由于电流源的理想内阻是无限大的,从电路中去掉一个电流源,也可以用它的内阻代替电流源抵抗性。因此,对于叠加定理,电压源被短路替换,并且源S由开路电路代替。
本定理仅适用于线性电路I.。由电阻组成的电路欧姆的法律已验证。在具有非线性电阻的电路中,例如热离子阀,金属整流器本定理不适用。本定理是比许多其他电路定理更费力的。但是这种方法的主要优点是,它避免了两个或多个同时等式的解。但是在使用这种方法的一点练习之后,可以直接从原始电路图和绘制额外图中的劳动力写入的等式。为了更好地了解该程序,我们提供了不同的步骤叠加定理如下,
第1步
用它们的内部阻力替换除一个以外的所有源。
第2步
用simple方法确定各支路的电流欧姆的法律。
步骤 - 3.
使用每个源转弯重复该过程 - 每次唯一的源作为唯一的源。
步骤4
把每个源的特定支路上的所有电流相加。这是当所有电源同时作用于电路时,该支路上的期望电流值。
叠加定理的例子
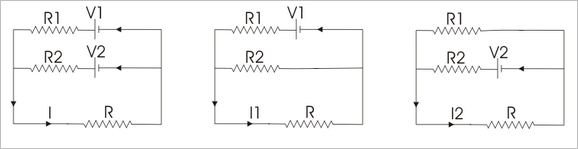
假设有两个电压源V.1和V2在电路上同时行用。
由于这两个电压源,例如电流I流过电阻R.
现在替换V.2通过短路,保持v1在它的位置测量电流通过抵抗性说它是我1。
然后替换,V1通过短路,重新连接v2到其原始位置并通过相同的电阻r测量电流,并说是我2。
现在,如果我们添加这两个电流,我1和我2当两个电压源V时,我们将获得等于当前的电流 - 实际上是流过r1和V2同时在电路上行动。那就是我1+ I.2=我。





