在讨论之前,感应电机驱动器理解和了解很重要感应电动机。在非常简单的单词中,感应电机可以描述为三相自动启动恒定速度AC电动机。描述作为恒定速度的感应电动机的原因是因为通常这些电动机根据供电的频率和绕组的数量具有恒定速度。
在过去,不可能根据需要控制感应电机的速度。这就是为什么他们的使用有限,尽管有许多其他优势狗万app体育由于这个缺点,它们不能被使用。但在驾驶领域由于可用性得到了改善晶体闸流管或可控硅,功率晶体管,igbtGTOs是变速的感应电机驱动器已经被发明了。
虽然这些驱动器的成本高于直流驱动器,但异步电机的使用仍在增加,它们正因其优势取代直流电机。狗万app体育在讨论这个话题时,我们会从头看一遍,制动以及感应电机的速度控制。
感应电动机起动
我们知道感应电动机是自启动的,即当供给给电动机时,它开始旋转,而不需要任何外部帮助。当一个感应电动机是否开始为没有抵抗性最初(即在开始时),有一个巨大的趋势当前的流过转子电路,转子电路可以永久地损坏电路。为了克服这个问题,已经引入了各种方法来限制起动电流。一些方法是
- 星三角起动器
- 自耦变压器起动器
- 反应堆启动器
- 饱和电抗器起动器
- 部分绕组起动器
- 交流电压控制器起动器
- 转子电阻启动器用于卷绕转子电机的启动。
的感应电机驱动器通常被设计成三角形连接运行,但在启动期间,电源从星形连接给出,因为然后启动电压和当前的比delta连接减少1/√3倍。当电机达到稳定转速时,连接由星形连接变为三角连接。
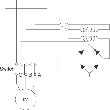
感应电动机的另一种起动方法是汽车变压器开始。由于我们知道扭矩与平方成比例电压。由自动变压器控制起动电压和起动电压当前的减少了,以克服由于非常大的电流流量而产生的过热问题。在开始时的比率变压器以启动电流不超过安全限制设置。一旦感应电动机开始运行并达到稳定状态值,自动变压器与电源断开连接。电路图在这里给出
另一种启动方法是使用饱和电抗器驱动的软启动。在这种方法中,电路中引入了高电抗,因此启动转矩接近于零。现在电抗在起动和起动过程中平稳地减小了当前的增加,扭矩也无级变化。在这种方法中,电机启动时没有任何的冲击,加速度是平稳的,这就是为什么它也被称为软启动。
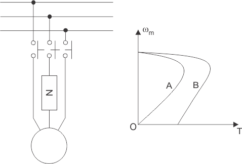
软启动的不平衡启动方案是另一种类型的启动方法,它只在一个供电阶段引入阻抗。起动时阻抗保持很高,使电机作为单相电机运行,此时的转速转矩特性与图中曲线a相似。当速度达到稳态值时,阻抗完全被消除,此时曲线近似于B,这是日晷的自然特性。这种起动方法也没有任何的急升,运行非常平稳。
部分卷绕起动方法是特殊的鼠笼式感应电动机。在这种方法中,两个或多个起动器绕组是并联的。当电动机启动时,任何一个绕组都被连接起来,从而使起动器的阻抗增大,起动电流减小。当电机获得稳定速度时,两个绕组都连接起来。
特别对于绕线转子电机,使用转子电阻起动器。在此方法中,外在的电阻在转子电路中用于限制起动电流。的最大值抵抗性被选中以限制当前的在安全值内以零速度。随着速度的增加,截面电阻是温度升高低于其他开始高速加速的方法,频繁开始并停止以重负荷开始,可以通过这种类型的起动方法进行。
感应电动机制动
当涉及到控制一台电机时电驱动制动是一个非常重要的术语,因为它有助于根据意愿和需要降低电机的速度。感应电动机制动可以分为三种类型
- 再生制动。
- 堵塞或反向电压制动
- 动态制动哪一种可以进一步分类
- AC动力制动
- 利用电容的自激制动
- 直流动态制动
- 零序制动
为了解释感应电动机的再生制动,我们可以采取方程的帮助
这里,θ年代是不是定子电压和定子电流之间的相位角,简单的一句话每当这个相位角超过90o(即θ年代> 90o)可以进行再生制动。为了更清楚,更容易地解释我们可以说,只要转子的速度超过同步速度,就会发生再生制动。也就是说,只要转子以多于同步速度的速度旋转,就会发生反向场,其与电动机的正常旋转相反,因此发生制动。这种类型制动的主要缺点是电动机的速度必须超过每次可能不可能的同步速度。为了以比同步速度更低的速度获得再生制动,可以使用可变频率源。
感应电动机的插入是通过交换任意两个电源端子来完成的。当端子颠倒时,机器的操作就由开动变为插入。从技术角度和为了更好地理解,可以说滑移从' s '变化为(2-s),这表明由于端子的反转,扭矩也改变了它的方向和制动发生。
感应电动机的动力制动的第一种分类是交流动力制动,当电源的某一相与电源断开时,它要么保持开路,要么与另一相连接。第一种是两引线连接,第二种是三引线连接。为了清楚地理解这种制动方法,我们可以假设系统是一个单相系统。现在可以认为电动机是由正负序电压供电的。这就是为什么当转子阻力高,净转矩是负的,制动可以获得。
有时,电容器通过连接在电机的供电端子而保持永久性。这叫做自激制动使用电容器感应电动机。这种制动方式的工作原理主要是通过电容器来存储能量。当电机从电源断开时,电机就开始作为一个自激感应发电机工作,电源来自于连接在两个端子上的电容。电容器的值的选择足以使电动机在断开电源后像感应发电机一样工作。当电动机作为一个诱导发电机产生的扭矩反对电机的正常旋转,因此制动发生。
另一种类型的动态制动是直流动态制动。在这种方法中,运行的感应电动机驱动器的定子连接到直流电源。将DC电源连接到定子的后果如下,直流电流产生静止磁场时,在转子保持转动时,就会产生感应电压因此,在转子绕组中,机器作为发电机工作,它反对电机的运动,并获得制动
感应电动机的速度控制
我们已经讨论了感应电动机的启动和制动,但是在运行过程中如何控制速度呢?感应电动机的速度控制可以做到的六种方法有哪些呢
- 变极
- 定子电压控制
- 供应频率控制
- 涡流耦合
- 转子电阻控制
- 滑动电力恢复
我们知道感应电机的速度与极数成反比。因此,如果磁极的数量分别降低或增加,则可以增加或降低感应电动机的速度。提供改变杆数量的电动机存在,它们称为“极变化电机”或“多速电机”。
另一种控制异步电机驱动器速度的方法是定子电压控制。定子电压直接影响转子的转速。转矩与电压的平方成正比当前的与电压。因此,如果定子电压降低,速度降低,同样,如果定子电压增加,速度也增加。
速度感应电动机与供应频率和气隙通量的产品成比例。但是因为有机会磁饱和度当降低供电频率时,这就是为什么不仅控制频率,而且控制v/f(即供电电压和频率的比值),并试图保持这个比值恒定。如果需要改变速度,v/f的比值也会相应改变。
的涡流通过将感应电动机在固定速度运行的涡流离合器和可变速度负载之间进行涡流离合器来完成速度控制方法。现在这个涡流离合器是什么?它只不过是一种感应电动机驱动器,其中允许两个定子和转子旋转。转子与主耦合感应电动机。当在转子鼓中产生涡流时,产生与定子场的相互作用和扭矩,其旋转主电动机。通过控制通过定子绕组的DC电流绕组可以控制电动机的速度。
根据转子电阻,转子的速度下降或增加。在下面的图中示出了相对于转子电阻变化的速度扭矩特性的变化。由于成本低,这种速度控制方法优于许多其他方法。





