什么是平行的电压?
一个并联电路要么并联指当两个或更多个电气装置在电路内并排地连接在一起时连接在一起。在此连接中,每个设备都位于其自己的不同分支中。电压(即潜在差异)是这个原因当前的通过一个闭合电路。本文将详细讨论并联电路中的电压。
电路中的多条支路意味着电荷向外部电路移动有多条路径。当电荷到达一个节点或分支位置时,它会选择它应该通过哪个分支回到低电位终端。
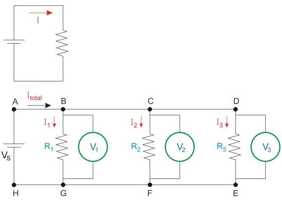
让我们考虑a的一个闭合电路电压源A.电阻器。在该电路中,电流将流过可用的单个通道。接下来,在同一电路中,我们在与第一电阻平行地添加两个另外的电阻器。
它导致电流通过多条途径而不是一条途径到达低电位终端。因此,随着分支数量的增加,总体上电阻减小,很明显电路中的电流增加了。
也就是整个当前的将是通过三个电阻的不同电流的总和。在这个并联电路中,我们可以看到最多有两组电公共点。这是;A和H, B和G, C和F, D,和E在电路中如下所示。在所有时间内通过公共点测量的电压应该相等。
在上面两个图中,首先显示了一个电压源和一个电阻的闭合电路。第二个是由3个电阻和a组成的并联电路电压源。
每个三个分支的该电路中的电压相同,并且它也与源的电压相同。Formulalicy,即:
该给定的并联电路中的总电流由I表示总。提供的公式是给出的。
全部或有效电阻在该给定的并联电路中描述在下面的公式中。
因此,我们可以得出结论,通过在特定的并联电路中添加附加分支,总计当前的会增加,电路会过载。
并联电路的优点
当我们想把两个灯泡连接到一个电池在美国,我们有两个选择。它既可以以数组方式连接,也可以以并行方式连接。如果我们将它连接在一个阵列,两个灯泡将在单一的和相同的传导路径之间的电池两个端子。这种联系的问题如下
- 我们不能打开或操作一个灯泡。
- 由于使用的是同一个光源,两个灯泡都会变暗。
- 如果一个灯泡中存在故障,则整个电路将受到影响。
接下来,如果我们连接两个灯泡并排或并联,两个灯泡将得到充分电压的电池。因此,结果将是以下优势。
- 两个灯泡在电池中都得到了充分的电压。
- 我们可以单独操作两个灯泡。
- 两个灯泡打开后都会亮。
- 如果一个灯泡有故障,它可以被移走或修理。因此,整个电路不会受到影响。
家用并联电路
家里的所有电器都与彼此并联连接。这就是为什么我们可以在不影响他人的情况下单独操作每个设备。例如,我们也可以打开洗衣机而不打开微波炉或电视。
我们知道在我们家里,电线由三根电线组成——带电的、中性的和接地的。此时此刻,我们忽略了地球,仅仅集中在带电的电线和中性的电线上。
电压是通过最终连接到a的带电和中性导线呈现的电厂。我们房子里的每个插座都连接着这些活的和不带电的。当我们把一个电器的金属针插入这个插座时,它就和这个插座产生了电连接。
每一件电器在带电和零线之间都有自己的连接方式。所以,当我们打开设备,整个电压将跨它呈现,它可以单独操作。
并联施加电压
并联电压的应用包括:
- 家用设备
- 照明电路
- 功率环
- 并联电容器等。





