一个gydF4y2Ba感应电动机gydF4y2Ba是一种众所周知的按变压器原理工作的装置。所以也叫旋转变压器。也就是说,当一个电动势供应给定子时,由于电磁感应的结果,agydF4y2Ba电压gydF4y2Ba在其转子中产生感应。所以说感应电动机是agydF4y2Ba变压器gydF4y2Ba与二次旋转。在这里,变压器的一次绕组类似于感应电动机的定子绕组,二次绕组类似于转子。gydF4y2Ba
感应电动机总是运行在同步转速或满载转速以下,同步转速与转速的相对差称为转差率,用s表示。gydF4y2Ba
在那里,NgydF4y2Ba年代gydF4y2Ba同步转速是由-给出的gydF4y2Ba
式中,f为电源电压的频率。gydF4y2Ba
P是机器的极点数。gydF4y2Ba
感应电动机的等效电路gydF4y2Ba
任何机器的等效电路都能显示机器的各种参数,如欧姆损耗和其他损耗。gydF4y2Ba
损失是由gydF4y2Ba电感器gydF4y2Ba和gydF4y2Ba电阻器gydF4y2Ba。铜的损耗是发生在绕组上的,所以绕组gydF4y2Ba电阻gydF4y2Ba是考虑在内的。而且,绕组有gydF4y2Ba电感gydF4y2Ba有一个gydF4y2Ba电压降gydF4y2Ba由于gydF4y2Ba感抗gydF4y2Ba还有一个术语叫做gydF4y2Ba功率因数gydF4y2Ba进来了。对于三相感应电动机,有两种等效电路gydF4y2Ba
精确的等效电路gydF4y2Ba
在这里,RgydF4y2Ba1gydF4y2Ba为定子的绕组电阻。gydF4y2Ba
XgydF4y2Ba1gydF4y2Ba为定子绕组的电感。gydF4y2Ba
RgydF4y2BacgydF4y2Ba是核心损耗部分。gydF4y2Ba
XgydF4y2Ba米gydF4y2Ba为绕组的磁化电抗。gydF4y2Ba
RgydF4y2Ba2gydF4y2Ba/s是转子的功率,包括输出的机械功率和转子的铜损。gydF4y2Ba
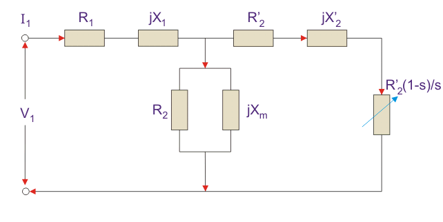
如果我们画出与定子有关的电路,那么电路将看起来像-gydF4y2Ba
这里所有其他参数都是相同的,除了-gydF4y2Ba
RgydF4y2Ba2gydF4y2Ba'是与定子绕组有关的转子绕组电阻。gydF4y2Ba
XgydF4y2Ba2gydF4y2Ba'是指转子绕组与定子绕组的电感。gydF4y2Ba
RgydF4y2Ba2gydF4y2Ba(1 - s) / s是表示转换成机械输出功率或有用功率的功率的电阻。在电阻器中耗散的功率是有用的输出功率或轴功率。gydF4y2Ba
近似等效电路gydF4y2Ba
为了简化计算,我们画出了近似的等效电路,删除了一个节点。分流支路移向一次侧。这样做是因为定子电阻和电感之间的电压降较小,并且供电电压和感应电压之间没有太大的差别。然而,由于以下原因,这是不合适的gydF4y2Ba
- 的gydF4y2Ba磁路gydF4y2Ba感应电动机有气隙使之激动gydF4y2Ba当前的gydF4y2Ba体积比变压器大,因此应采用精确的等效电路。gydF4y2Ba
- 感应电动机的转子和定子电感较大。gydF4y2Ba
- 在感应电动机中,我们采用分布式绕组。gydF4y2Ba
如果需要对大型电动机进行近似分析,可以使用该模型。对于较小的马达,我们不能使用这个。gydF4y2Ba
等效电路的功率关系gydF4y2Ba
- 定子输入功率- 3vgydF4y2Ba1gydF4y2Ba我gydF4y2Ba1gydF4y2Ba因为(Ɵ)。gydF4y2Ba
在那里,VgydF4y2Ba1gydF4y2Ba为施加的定子电压。gydF4y2Ba
我gydF4y2Ba1gydF4y2Ba是由定子绕组引出的电流。gydF4y2Ba
因为(Ɵ)定子定子。gydF4y2Ba - 转子输入=gydF4y2Ba
电源输入-定子铜铁损耗。gydF4y2Ba - 转子铜损=转差率×转子输入功率。gydF4y2Ba
- 开发功率= (1 - s)×转子输入功率。gydF4y2Ba
单相感应电动机的等效电路gydF4y2Ba
单相等效电路与三相等效电路是有区别的。的gydF4y2Ba单相感应电动机gydF4y2Ba电路是由双旋转场理论给出的gydF4y2Ba
静止的脉动gydF4y2Ba磁场gydF4y2Ba可以分解成两个旋转的场,大小相等但方向相反。所以静止时诱导的净扭矩为零。在这里,正向旋转称为带滑移s的旋转,反向旋转为滑移(2 - s),等效电路为-gydF4y2Ba
在大多数情况下,核心损耗元件rgydF4y2Ba0gydF4y2Ba忽略,因为该值比较大,对计算影响不大。gydF4y2Ba
在这里,ZgydF4y2BafgydF4y2Ba显示正向阻抗和ZgydF4y2BabgydF4y2Ba显示反向阻抗。gydF4y2Ba
同样,向前滑移和向后滑移的总和是2,因此在向后滑移的情况下,它被替换为(2 - s)。gydF4y2Ba
RgydF4y2Ba1gydF4y2Ba=定子绕组电阻。gydF4y2Ba
XgydF4y2Ba1gydF4y2Ba=定子绕组的感抗。gydF4y2Ba
XgydF4y2Ba米gydF4y2Ba= Magnetising电抗。gydF4y2Ba
RgydF4y2Ba2gydF4y2Ba' =与定子有关的转子电抗。gydF4y2Ba
XgydF4y2Ba2gydF4y2Ba' =与定子相对应的转子感应电抗。gydF4y2Ba
计算等效电路的功率gydF4y2Ba
- 找到ZgydF4y2BafgydF4y2Ba和ZgydF4y2BabgydF4y2Ba。gydF4y2Ba
- 求由定子电压/总电路阻抗给出的定子电流。gydF4y2Ba
- 然后求出输入功率gydF4y2Ba
定子电压定子电流××Cos(Ɵ)gydF4y2Ba
在那里,Ɵ定子电流和电压之间的角度。gydF4y2Ba - 电力开发(PgydF4y2BaggydF4y2Ba)是向前场功率和向后场功率的区别。正向和反向功率由各自电阻器耗散的功率给出。gydF4y2Ba
- 转子铜损用-滑移×P表示gydF4y2BaggydF4y2Ba。gydF4y2Ba
- 输出功率为-gydF4y2Ba
PgydF4y2BaggydF4y2Ba- s×PgydF4y2BaggydF4y2Ba——旋转的损失。gydF4y2Ba
转动损失包括摩擦损失、风阻损失和铁芯损失。gydF4y2Ba - 效率也可以通过潜水输出功率和输入功率来计算。gydF4y2Ba





